| Specifications | Accuracy |
|---|---|
| Rated capacity(R.C.) | 1tf, 2tf, 3tf, 5tf, 10tf |
| Rated output(R.O.) | 1mV/V |
| Nonlinearity | 0.15% of R.O. |
| Hysteresis | 0.15% of R.O. |
| Repeatability | 0.1% of R.O. |
| Creep | 0.05% of R.O. |
| Zero balance | ±1% of R.O. |
| Excitation recommended | 10V |
| Terminal resistance input, output | 350Ω±1% |
| Insulation resistance bridge | 2000㏁ |
| Temperature range, compensated | -10~60℃ |
| Temperature range, safe | -20~80℃ |
| Temp. effect on rated output | ±0.01% of LOAD/10℃ |
| Temperature effect, on zero balance | ±0.02% of R.O./10℃ |
| Safe overload | 120% R.C |
| Cable length | Φ5, 4core, 3m |

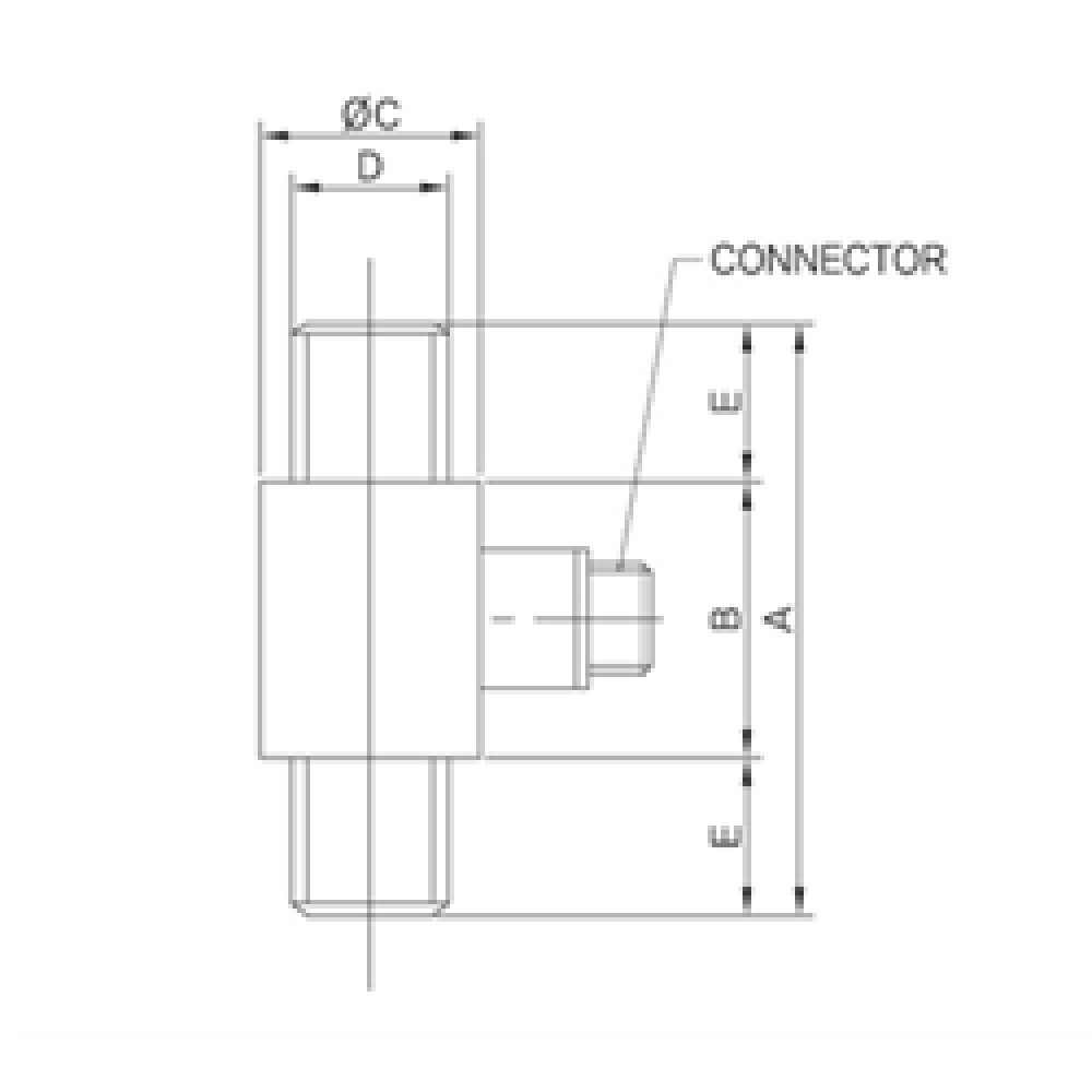
| Model | Capacity | A | B | ΦC | D | E | Weight(kg) |
|---|---|---|---|---|---|---|---|
| TX25-K100 | 100kgf (980.7N) | 75 | 35 | 28 | M16×1.5 | 20 | 0.5 |
| TX25-K200 | 200kgf (1.961KN) | 75 | 35 | 28 | M16×1.5 | 20 | |
| TX25-K500 | 500kgf (4.903KN) | 75 | 35 | 28 | M16×1.5 | 20 | |
| TX25-T1 | 1tf (9.807KN) | 75 | 35 | 28 | M20×1.5 | 20 | |
| TX25-T2 | 2tf (19.61KN) | 75 | 35 | 28 | M20×1.5 |
20 |
|
| TX25-T3 | 3tf (29.42KN) | 75 | 35 | 28 | M20×1.5 | 20 | |
| TX25-T5 | 5tf (49.03KN) | 75 | 35 | 33 | M24×2 | 20 | 0.7 |
| TX25-T10 | 10tf (98.07KN) | 170 | 100 | 62.5 | M39×2 | 35 | 2.5 |
| TX25-T20 | 20tf (196.1KN) | 190 | 100 | 63 | M39×2 | 50 | 2.8 |
| TX25-T50 | 50tf (490.3KN) | 245 | 105 | 85 | M64×2 | 70 | 7.5 |
| TX25-T100 | 100tf (980.7KN) | 340 | 140 | 115 | M80×2 | 100 | 18 |
| TX25-T200 | 200tf (1961KN) | 390 | 160 | 150 | M110×2 | 115 | 36 |
| TX25-T300 | 300tf (2942KN) | 450 | 194 | 169 | M125×4 | 128 | 46 |
★Specifications are subiect to change without notice.
The person in charge
HK ShinAddress
37-9 Cheoksan 5-gil Nami-myeon Seowon-gu, Cheongju-si, Chungcheongbuk-do (28182)Please enter the text on the left image to prevent automatic input.
0 / 4000
PLATINUM