Model TCN
A static torque sensor for measurement of torque of stational objects or within a certain angle rotation. Suitable for torque measurement of various automobile parts. Pneumatic and electric screwdriver etc.
Specifications
|
Specifications |
Accuracy |
|
Rated capacity(R.C.) |
2kgf-cm~2000kgf-m (0.196N-m~19.61kN-m) |
|
Rated output(R.O.) |
1mV/V±1% |
|
Nonlinearity |
0.3%(0.1kgf-m under 0.5% R.O.) |
|
Hysteresis |
0.3%(0.1kgf-m under 0.5% R.O.) |
|
Reperatability |
0.02% of R.O. |
|
Terminal resitance, input |
350Ω ±1% |
|
Terminal resitance, output |
350Ω ±1% |
|
Insulation resistance |
2000 MΩ |
|
Temperature effect, on zero balance |
±0.1% R.O./10℃ |
|
Temperature effect, on rated output |
±0.1% Load/℃ |
|
Excitation recommended |
10V DC |
|
Safe overload |
120% R.O |
|
Cable |
φ5.5 4core cable, 3m |
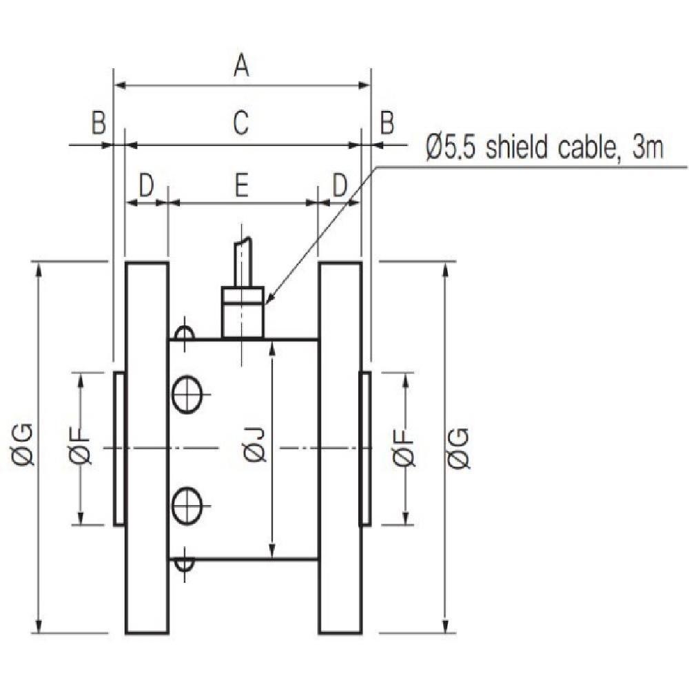
Dimensions
|
Model |
Capacity |
A |
B |
C |
D |
E |
φF |
φG |
H |
J |
φK |
|
TCN-2KC |
2kgf-cm (0.196N-m) |
61 |
3 |
55 |
5 |
45 |
20 |
58 |
46 |
33 |
2x4 - φ4.5 |
|
TCN-3KC |
3kgf-cm (0.294N-m) |
61 |
3 |
55 |
5 |
45 |
20 |
58 |
46 |
33 |
2x4 - φ4.5 |
|
TCN-5KC |
5kgf-cm (0.490N-m) |
61 |
3 |
55 |
5 |
45 |
20 |
58 |
46 |
33 |
2x4 - φ4.5 |
|
TCN-10KC |
10kgf-cm (0.981N-m) |
61 |
3 |
55 |
10 |
35 |
40 |
80 |
66 |
48 |
2x4 - φ6.5 |
|
TCN-20KC |
20kgf-cm (1.961N-m) |
61 |
3 |
55 |
10 |
35 |
40 |
80 |
66 |
48 |
2x4 - φ6.5 |
|
TCN-30KC |
30kgf-cm (2.942N-m) |
61 |
3 |
55 |
10 |
35 |
40 |
80 |
66 |
48 |
2x4 - φ6.5 |
|
TCN-50KC |
50kgf-cm (4.903N-m) |
61 |
3 |
55 |
10 |
35 |
40 |
80 |
66 |
48 |
2x4 - φ6.5 |
|
TCN-1K |
1kgf-m (9.807N-m) |
61 |
3 |
55 |
10 |
35 |
40 |
80 |
66 |
48 |
2x4 - φ6.5 |
|
TCN-2K |
2kgf-m (19.61N-m) |
61 |
3 |
55 |
10 |
35 |
40 |
80 |
66 |
48 |
2x4 - φ6.5 |
|
TCN-3K |
3kgf-m (29.42N-m) |
61 |
3 |
55 |
10 |
35 |
40 |
80 |
66 |
48 |
2x4 - φ6.5 |
|
TCN-5K |
5kgf-m (49.03N-m) |
61 |
3 |
55 |
10 |
35 |
40 |
80 |
66 |
48 |
2x4 - φ6.5 |
|
TCN-10K |
10kgf-m (98.07N-m) |
61 |
3 |
55 |
10 |
35 |
40 |
80 |
66 |
48 |
2x4 - φ6.5 |
|
TCN-20K |
20kgf-m (196.1N-m) |
86 |
3 |
80 |
15 |
50 |
40 |
98 |
78 |
48 |
2x6 - φ10.5 |
|
TCN-50K |
50kgf-m (490.3N-m) |
130 |
3 |
124 |
20 |
84 |
60 |
118 |
95 |
68 |
2x6 - φ10.5 |
|
TCN-100K |
100kgf-m (980N-m) |
136 |
3 |
130 |
20 |
90 |
60 |
146 |
115 |
75 |
2x6 - φ13 |
|
TCN-200K |
200kgf-m (1.961KN-m) |
146 |
3 |
140 |
25 |
90 |
60 |
166 |
130 |
99 |
2x8 - φ17 |
|
TCN-500K |
500kgf-m (4.903KN-m) |
176 |
3 |
170 |
35 |
100 |
60 |
197 |
155 |
98 |
2x12 - φ17 |
|
TCN-1000K |
1000kgf-m (9.807KN-m) |
180 |
3 |
174 |
37 |
100 |
90 |
248 |
180 |
110 |
2x12 - φ21 |
|
TCN-2000K |
2000kgf-m (19.61KN-m) |
180 |
3 |
174 |
37 |
100 |
90 |
248 |
180 |
128 |
2x12 - φ21 |
The person in charge
HK ShinAddress
37-9 Cheoksan 5-gil Nami-myeon Seowon-gu, Cheongju-si, Chungcheongbuk-do (28182)Please enter the text on the left image to prevent automatic input.
0 / 4000
PLATINUM